自考笔果题库
笔果题库
历年真题
  • 上海市
  • 四川省
  • 广东省
  • 湖南省
  • 湖北省
  • 江苏省
  • 浙江省
  • 安徽省
  • 福建省
  • 江西省
  • 山东省
  • 河南省
  • 甘肃省
  • 澳门特别行政区
  • 青海省
  • 内蒙古自治区
  • 广西壮族自治区
  • 新疆维吾尔自治区
  • 西藏自治区
  • 宁夏回族自治区
  • 中国台湾省
  • 香港特别行政区
  • 北京市
  • 陕西省
  • 云南省
  • 贵州省
  • 海南省
  • 黑龙江省
  • 吉林省
  • 辽宁省
  • 山西省
  • 河北省
  • 重庆市
  • 天津市
押密题库
本科
专科
视频题库
考证通关
笔果题库返回
结构力学(一)
免费题库
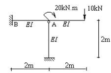
图示结构B截面的弯矩等于   
A  
20kN.m 下侧受拉
B  
20 kN.m 上侧受拉
C  
10kN.m 下侧受拉
D  
10kN.m 上侧受拉
深圳市笔果教育科技有限公司
粤ICP备17094429号-1
自考笔果题库APP
更优刷题体验,尽在笔果APP!
立即下载